hilfe bei wärmetauscher
-
-
1.Schalttafel
Schalttafel ausbauen
Batteriemasseband abklemmen.
Mittelkonsoleausbauen
Radio ausbauen.
Fahrzeuge mit Airbag
Airbageinheit Fahrerseite ausbauen
Lenkrad ausbauen
Airbageinheit Beifahrerseiteausbauen
Fahrzeuge ohne Fahrerairbag
Lenkrad ausbauen.
Fortsetzung alle Fahrzeuge
’ Abdeckung -1- entriegeln (Sicherungsknöpfe -Pfeile- drücken) und herausziehen.
’ Abdeckung -1- abhebeln.
Kreuzschlitzschrauben herausdrehen und Ablage -2- schräg nach unten ziehen (Führungen -3- beachten).
Fahrzeuge ohne Beifahrerairbag
’ Kreuzschlitzschrauben herausdrehen und Ablage schräg nach unten herausnehmen (Zapfen -Pfeile- beachten).
Fortsetzung alle Fahrzeuge
’ Blende -1- abhebeln und Kreuzschlitzschrauben herausdrehen.
Regulierung für Heizung und Frischluft -2- mit angebauten Zügen unter die Schalttafel drücken.
’ Blenden -1- und Lichtschalter ausclipsen.
Kreuzschlitzschrauben herausdrehen und Instrumentenblende herausziehen.
’ Befestigungsschrauben -Pfeile- herausschrauben.
Schalttafeleinsatz nach vorne klappen.
Mehrfachsteckverbindung auf der Rückseite des Schalttafeleinsatzes trennen.
Schalttafeleinsatz herausnehmen.
Sechskantschrauben herausdrehen (11 Stück mit Handschuhkasten)
Sechskantmuttern -1- abschrauben (Sechskantmuttern befinden sich im Wasserkasten).
Schalttafel -4- vom Montageträger und Stirnwand -3- etwas abziehen und Leitungsstränge von der Schalttafel lösen.
Schalttafel aus dem Fahrzeug herausnehmen.
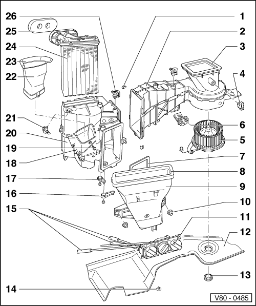
2.Wärmetauscher
Æ Dichtungen müssen umlaufend spaltfrei verklebt sein.
Æ Sollten beim Einsetzen Rastnasen nicht einrasten, dann Wärmetauscher anschrauben.
Æ Stutzen für Unterdruckleitung einbauen
Mfg
ChrisWer anderen eine Bratwurst brät, der braucht ein Bratwurstbratgerät!
VCDS 908.1 HEX+CAN
VW Audi Club BAD & MAD
Dieser Beitrag wurde bereits 2 mal editiert, zuletzt von „chris.ro“ ()
-
-
-
Teilen
- Facebook 0
- Twitter 0
- Google Plus 0
-
Reddit 0