Benzindruckregler G60
Diese Seite verwendet Cookies. Durch die Nutzung unserer Seite erklären Sie sich damit einverstanden, dass wir Cookies setzen. Weitere Informationen
-
-
-
-
-
Original von g60power
Er zeigt gar nix an!!
Aber ich glaub ich weiß wie der jetzt funktoniert!!
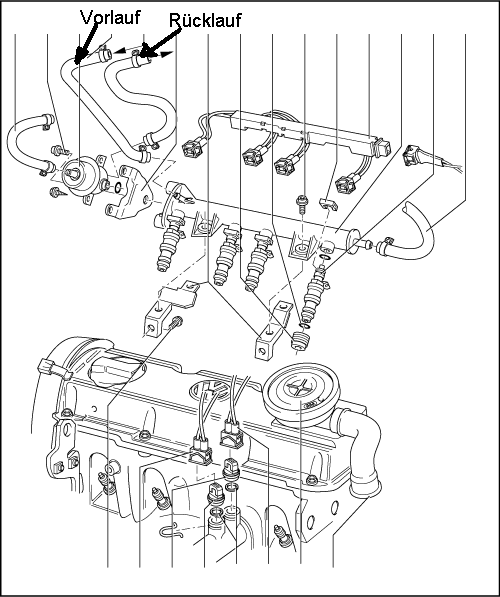
Der gehört laut BAR-TEK-Tuning zwischen den Rücklauf geschlossen da er ja den Systemdruck halten soll oder??
Mfg
Eigentlich bin ich davon ausgegangen, dass du den Racetech wie den original
Regler in den Rücklauf gesetzt hast!
Also richtig einpflanzen und er funkt!
Lg! -
-
-
-
-
-
Teilen
- Facebook 0
- Twitter 0
- Google Plus 0
-
Reddit 0