Explosionszeichnungen K-Jetronic

      Explosionszeichnungen K-Jetronic

      Sorry für den neuen Thread brauche Exlosionszeichnungen für die K-Jetronic mir hilft auch jedes Bild von der uunterseite wie unten!!

      Wenn einer die K-Jetronic verbaut hat würde ich vieles geben um solche Bilder zu bekommen brauche die genauen teile und muss wissen wie das teil (bild 2 eingehängt gehört)

      mfg Und danke Manu
      Bilder
      • IMG_2309.jpg

        94,32 kB, 640×480, 1.527 mal angesehen
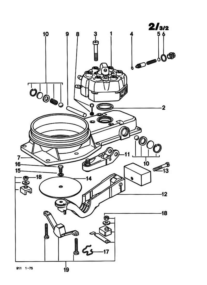
      so hab hier eine Zeichnung muss jetzt nur wissen wie das Metall-Blatt verschraubt gehört?!! Hab 1 Platzig abstand angebaut°!!! Verloren!

      danke für die fotos im vorhinein

      mfg Manu

      Zeichnung is vom Porsche Turbo!

      Hab das so eingebaut wie beschrieben brauche dann noch die funktion von 17!!

      mfg Manu
      Bilder
      • 2-3-2.jpg

        99,15 kB, 800×1.100, 2.362 mal angesehen

      Dieser Beitrag wurde bereits 1 mal editiert, zuletzt von „EvoRox“ ()

      Also doch der Luftmengenmesser,....................................

      Bescheidene Frage!
      Hast du dieses Teil selbst zerlegt?

      Das von dir beschriebene drahtige Ding ist ein Teil des Anschlagbügels der Stauscheibe!

      Meines Wissens ist diese Feder für die Ruheposition und Grundeinstellung der Stauscheibe zuständig und sollte am Anschlagbügel mitgeschraubt werden.

      Lg!
      Original von dr_porsche
      Also doch der Luftmengenmesser,.....

      Bescheidene Frage!
      Hast du dieses Teil selbst zerlegt?

      Das von dir beschriebene drahtige Ding ist ein Teil des Anschlagbügels der Stauscheibe!

      Meines Wissens ist diese Feder für die Ruheposition und Grundeinstellung der Stauscheibe zuständig und sollte am Anschlagbügel mitgeschraubt werden.

      Lg!


      ja hab ich und zwar mitten in der nacht mitm T4 hinter mir als Lichtspender! Das ist ja das Problem.. .Wo das Blechblatt hinkommt hab ich schon! Danke jetz gehts nur mehr um 17 denn das ist eigentlich bei mir noch montiert nur genau auf der anderen seite! Deshalb brauche ich auch die fotos! So einen unterleg keil habe ich auch verloren!

      Und bezüglich dem Drahtigen ding das ich im letzen Thread gemeint habe das ist einfach ein Metallstift mit einem Gumminippel der genau das abdichtet wo mann zur co schraube kommt um diese einstellen zu können!

      Ich habe das nicht gewusst und deshalb eigentlich erst alles zerlegt weil ich dachte das meine co schraube verstellt sei und ich nicht wusste wozu der Metall stift ist! Tja so einfach wäre es gewesen!

      Freue mich schon auf fotos das ich fertig zusammenbauen kanN!

      mfg Manu
      Leider nein da bei mir ja noch so ein Gummistopper (2) drinnen ist!
      Deshalb wäre ich auch einem 16V (KR) fahrer dankbar wenn er fotos machen könnte!!
      Cobra deine Zeichnung is nicht von VW oder ?? (denke MAL Porsche oder??)

      Nur wenn ich (3) so montiere ist (1) überflüssig!

      Wenn ich 3 anders montiere ist (2) überflüssig! Das ist mein Prob. denn (1) hab ich immer original montiert gelassen!"

      mfg Manu



      Aja ich brauch auch noch ob ich 3 genau einmal drehen soll?? So das die biegung nach unten steht??!!
      Bilder
      • IMG_2317.jpg

        37,2 kB, 640×480, 870 mal angesehen

      Dieser Beitrag wurde bereits 2 mal editiert, zuletzt von „EvoRox“ ()