Stromlaufplan Golf 2
Diese Seite verwendet Cookies. Durch die Nutzung unserer Seite erklären Sie sich damit einverstanden, dass wir Cookies setzen. Weitere Informationen
- 
			
- 
			
- 
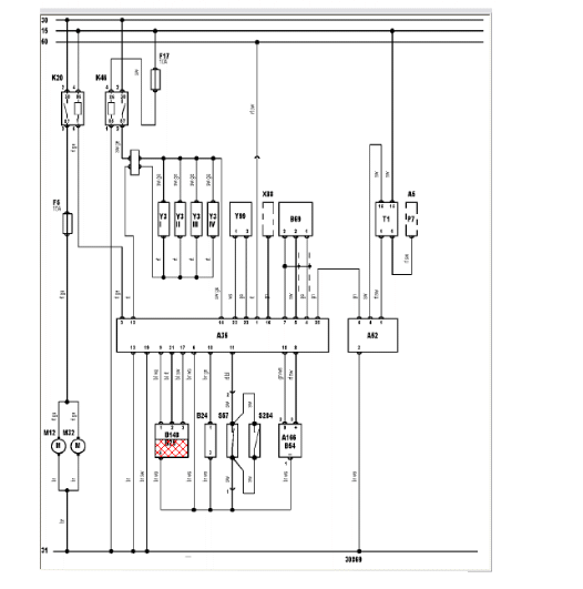
			b25 ansaugluftsensor
 31 Batterie minus
 30 Batterie Plus
 P7 dzm
 Y3 Einspritzventil
 A5 Instrumententafel
 X88 Klimaanlagenstecker
 B69 Klopfsensor
 M32 Kraftstoffförderpumpe
 M12 Kraftstoffpumpe
 K20 Kraftstoffpumpenrelais
 B24 Kühlmitteltemperatursensor
 Y99 Leerlaufregelventil
 S57 Leerlaufschalter
 B148 Luftmengenmesser
 K46 Motorsteuerrelais
 F Sicherung
 A35 Steuergerät
 S284 Vollastschalter
 50 Zündschalter, Satrtsignal
 15 Zündschalter Zündung ein
 T1 Zündspule
 A166 Zündverteiler
 A 52 Zündschaltgerät
 
 Kann dir das bild auch in einer besseren quali schicken!!
 
 MFGGo fast, or go homeDieser Beitrag wurde bereits 1 mal editiert, zuletzt von „smack88“ () 
- 
			
- 
			
- 
			
- 
			Hätte auch noch einen Stromlaufplan von einem Golf II 1.8 (PF) 1987 - 1991 | Digifant 01/1987 -> 08/1989
 bzw.Golf II 1.8 (PF) 1987 - 1991 | Digifant 08/1989 -> 10/1991Was heitzt so schnell durch Nacht und Wind? Ein GTI mein kleines Kind. Mit über 200 Sachen, da haben die and'ren nicht viel zu lachen! Und was ist das, was er da jagt? Ein Opel, der die Menschheit plagt! 
- 
						
						
						Teilen- Facebook 0
- Twitter 0
- Google Plus 0
- 
			
				Reddit 0 
 
- 
						
						
						Benutzer online 22 Besucher 
